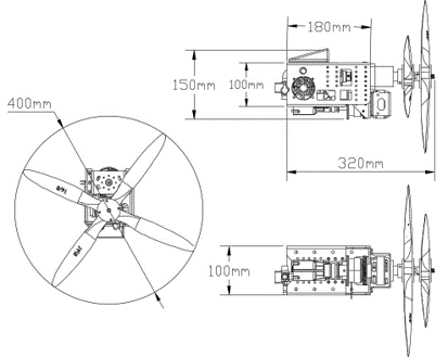
The Hybrid Engine is a patented plug-in hybrid propulsion system combining dual electric motors with a fuel engine and contra-rotating propellers for high-efficiency flight.
The architecture delivers increased thrust, balanced torque, and significantly reduced fuel consumption and emissions compared to conventional aircraft engines.
https://asmedigitalcollection.asme.org/GT/proceedings-abstract/GT2024/87929/V001T01A008/1203769









